局部放電檢測中的幾種測量回路
局部放電檢測方法之電測法,局部放電直接的現象即引起電極間的電荷轉移,從而引起試樣外部電極上的電壓變化。
氣隙中局部放電持續時間很短,10ns量級;油隙中1us量級。根據Maxwell電磁理論, 如此短持續時間的放電脈沖會產生高頻的電磁信號向外輻射。局部放電電檢測法即是基于電荷轉移和電磁輻射這兩個原理。
1、脈沖電流法
脈沖電流法是一種應用最為廣泛的局部放電測試方法。測量回路如圖所示:
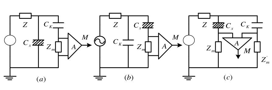
Cx,試品電容:Zm(Zm'),測量阻抗;Ck,耦合電容,為Cx與Zm之間提供一個低阻抗通道。Z,低通濾波器,通工頻,阻高頻。
并聯測量回路,如圖(a):
試驗電壓U經Z施加于試品Cx,測量回路由Ck與Zm串聯而成,并與Cx并聯,因此稱為并聯測量回路。試品上的局部放電脈沖經Ck耦合到Znm上,經放大器A送到測量儀器M。
局部放電試驗裝置的這種測量回路適合于試品一端接地也的情況,在實際工作中應用較多。
串聯測量回路,如圖(b):
測量阻抗Zm串聯接在試品Cx低壓端與地之間,并經由Ck形成放電回路。
試品的低壓端必須與地絕緣。
橋式測量回路(又稱平衡測量回路),如圖(c):試品Cx與耦合電容Ck均與地絕緣,測量阻抗Zm與Zm'分別接在Cx與Ck的低壓端與地之間。局部放電試驗裝置M測量Zm與Zm'上的電壓差。
- 上一篇: 超低頻絕緣耐壓試驗技術的優勢及應用
- 下一篇: 接地電阻測試儀測試結果異常處理






