局部放電檢測儀試品接入試驗準備和操作說明
局部放電檢測儀,也叫局部放電測試儀,是用來測試電氣設備局部放電現象的儀器,目前在很多電氣試驗環境中使用。那么局部放電檢測儀在做試驗之前,需要有哪些準備工作,試品如何接入。下面來和武漢合眾電氣一同看看局部放電檢測儀試品接入試驗準備和操作說明。
檢查試驗場地的接地情況,將本儀器后部的接地螺栓用粗銅線( 用編織銅帶)與試驗場地的接地線妥善相接,輸入單元的接地短路片也要妥善接地。
根據試驗電容Ca、耦合電容Ck的大小,選取合適序號的輸入單元(見表一),表一中調諧電容量系指從輸入單元初級繞組兩端看到的電容(按Ca與Ck的串聯粗略估算)。
輸入單元應盡量靠近被測試品,輸入單元插座,經8米長電纜與后面板上放大器輸入插座相接。
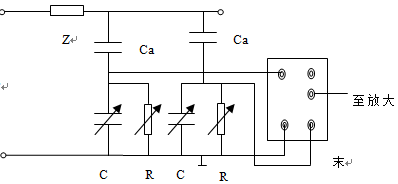
試品接入單元的方法主要有以下幾種:
a.并聯法
b.串聯法
c.平衡法
d.橋式接法
圖中:Ca-試品 Ck-耦合電容 Z-高壓保護電阻
R3、C3、R4、C4--橋式接法中平衡調節阻抗
在高壓端接上電壓表電阻或電容分壓器,其輸出經測量電纜接到后面板試驗電壓輸入插座。
在未加試驗電壓的情況下,將校正脈沖發生器的輸出接試品兩端。
以上是局部放電檢測儀試品如何接入的試驗準備和操作說明,如果對儀器有興趣,可聯系我們。
檢查試驗場地的接地情況,將本儀器后部的接地螺栓用粗銅線( 用編織銅帶)與試驗場地的接地線妥善相接,輸入單元的接地短路片也要妥善接地。
根據試驗電容Ca、耦合電容Ck的大小,選取合適序號的輸入單元(見表一),表一中調諧電容量系指從輸入單元初級繞組兩端看到的電容(按Ca與Ck的串聯粗略估算)。
輸入單元應盡量靠近被測試品,輸入單元插座,經8米長電纜與后面板上放大器輸入插座相接。
試品接入單元的方法主要有以下幾種:
a.并聯法
R3、C3、R4、C4--橋式接法中平衡調節阻抗
在高壓端接上電壓表電阻或電容分壓器,其輸出經測量電纜接到后面板試驗電壓輸入插座。
在未加試驗電壓的情況下,將校正脈沖發生器的輸出接試品兩端。
以上是局部放電檢測儀試品如何接入的試驗準備和操作說明,如果對儀器有興趣,可聯系我們。
- 上一篇: 局部放電檢測儀開機使用步驟注意事項
- 下一篇: 局部放電檢測儀測量顯示界面的說明





